Profile auf Länge bearbeiten

In zwei Zeitschriftenbeiträgen und auf meine Homepage (wabolager) hatte ich vor einiger Zeit gezeigt, wie man unter Modellbauer-Bedingungen recht genaue U- und L-Profile herstellen kann. Hier möchte ich nun die Möglichkeiten aufzeigen, wie man solche Profile rechtwinklig oder auch angeschrägt sehr genau auf Länge bearbeiten kann. Das ist in der Regel die Grundlage für sauberen Weiterbau.

Befassen wir uns zuerst mit dem rechtwinkligen Längen von diesen Profilen. Jeder kennt die Spannzangen der Drehmaschine für runde Materialstäbe. In der Industrie gibt es selbstverständlich auch Spannzangen für Vierkant- und Sechskant-Material. In meinem Buch „Drehen für Modellbauer“ Band 1 habe ich auf Seite 107 die Selbstanfertigung einer Vierkant-Spannhülse beschrieben und im Buch „Kleindrehmaschine im Eigenbau“ erfährt man auf den Seiten 114/115 wie man durchaus auch Spannzangen für Vier- und Sechskant-Material selbst herstellen kann. Wieso, so meine Gedanken, soll es keine Spannmöglichkeit für L- und U-Profile geben, mit denen man diese sehr genau auf Länge plandrehen kann? Denn andere Abläng-Varianten (mit Schere, Seitenschneider oder per Feilen) sind allesamt zu ungenau und zu sehr von „geschickten Händen“ abhängig.

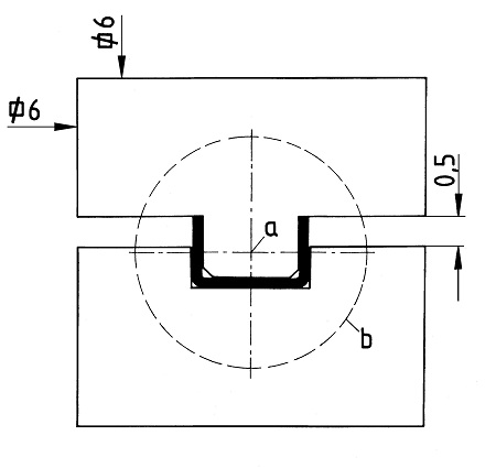
Ich hatte bei der Modellierung von WABO-Lagergestellen (Foto 001) für mein 1:50-Zerstörer-Modell den konkreten Fall, zahlreiche U-Profile 2 x 1,2 mm auf exakt gleiche Längen zu bringen. Wie so oft beginnt bei mir alles mit einer 10:1-Vergrößerungs-Zeichnung (Abb. 002) . Geschwärzt habe ich hier das Profil gezeichnet und mit (a) den Mittelpunkt festgelegt, danach den Durchmesser (b) der beabsichtigten 4-mm-Spannzange vom Uhrmacherdrehstuhl gezeichnet. Damit ich die „Zange“ im Vierbackenfutter rund drehen kann, wurden die beiden Klemmstücke so konstruiert, daß sie zusammen mit dem geklemmten U-Profil ein 6x6-mm-Vierkantprofil ergaben. Ein Klemmspalt von etwa 0,5 mm muß vorhanden sin. Den Ø4 habe ich gewählt, weil er der größte Durchmesser ist, bei dem man Stangenmaterial bei den Uhrmacherspannzangen ganz durch die Arbeitsspindel stecken kann. Die größeren (bis Ø7) sind abgesetzte, für den Zweck weniger geeignete Zangen. Will man größere Profile in größeren Spannzangen spannen, muß man eine größere Drehmaschine (z.B. mit ER-Zangen) oder ein gut rundlaufendes Backenfutter verwenden. Bei den ER-Zangen ist es für einen guten Rundlauf sehr wichtig, daß diese Klemmstücke mindestens so lang sind, wie die Zangen selbst. Kürzere Spannzapfen z.B. laufen in ER-Zangen nie richtig rund weil sie verkanten!

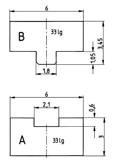
So waren zuerst zwei etwa 30 mm lange Klemmstücke nach Abb. 003 zu fräsen. Die Breiten sind 6 mm, Ausgangsmaterial waren 6x6-mm-Ms-Vierkantstäbe und für die Höhen rechnet man: 3,45 + 0,15 (Materialstärke des Blechs) + 2,4 mm vom Unterteil A (3 – 0,6 = 2,4) = ebenfalls 6 mm. Sowohl die 1,8 mm breite „Leiste“ bei B als auch die Nut bei A müssen exakt in der Mitte sitzen. Die Leiste bei B sollte zwei kräftige 45°-Längsfasen erhalten, weil die Innenecken bei geprägten U-Profilen niemals scharfkantig sind, das wäre nur bei gefrästen Profilen so. Foto 004 zeigt die beiden Klemmstücke, links ist ein U-Profil eingelegt. Und beim Foto 005 sind die Teile zusammengesteckt, man erkennt den nötigen Klemmspalt. Im Foto 006 ragen die Klemmstücke knapp 2/3 ihrer Länge aus dem Vierbackenfutter und werden auf exakt Ø4 überdreht. Dieser Durchmesser 4 wird danach in die 4-mm-Spannzange gespannt und die restliche Länge wird ebenfalls auf den Ø4 gebracht (Foto 007) . Das kann man bei sehr großen Teilen mit einem linken Seitendrehstahl machen oder mit einem Abstechdrehstahl. Ich drehe solche Dinge gern mit einem Spitzdrehstahl, welcher wesentlich schlanker als ein Außengewinde-Drehstahl geschliffen ist. Man dreht stückweise von links nach rechts und steckt die Teile dabei immer weiter in die Zange hinein (Foto 008) . Tut man das Langdrehen mit dem Obersupport, muß dieser zuvor auf exaktes zylindrisches Drehen eingerichtet werden (Drehversuch). Vorn läßt man einen auf Ø6 gedrehten Anlagebund stehen (Foto 009) .

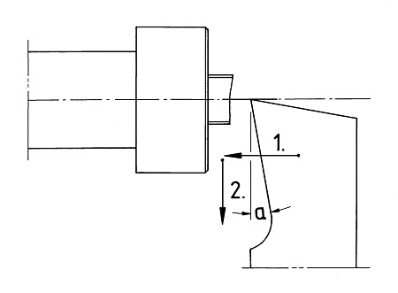
Beim Drehen der U-Profile auf Länge liegt der Anlagebund im Gegensatz zum Foto 009 ganz an der Zangenstirn an. Das Profil wird mit einem Mini-Seitenschneider mit etwa 2 mm Überlänge abgeschnitten und so in die Klemmstücke gelegt, daß nicht viel mehr als 1 bis 2 mm ausragen. Die Seiten des U-Profils werden dabei mit dem Seitenschneider durchtrennt, der Rest wird einfach abgebrochen. Die Drehstahlspitze des rechten Seitendrehstahls mit eingerichtetem Planfreiwinkel (a in Abb. 010) wird etwa in die Spindelmitte gerichtet und so kann man per Langdrehen die Länge abplanen (1.). Bei Messing-Profilen geht das (mit einem scharfen Drehstahl) so gut, daß sich das Blech dabei nicht verbiegt. Damit man eine ebene Planfläche erhält, wird der Drehstahl zum Schluß nach außen gezogen (2.). Bei derart kleinen Profilen sollte man eine Kopflupe benutzen, damit man vor allem das „Ankratzen“ gut erkennen kann.

In Abb. 011 links habe ich die Konstruktion von Klemmstücken für L-Profile 1,4 x 1,4 mm dargestellt, welche ich ebenfalls für die WABO-Lager auf exakte Längen zu bringen hatte. Auch hier ist der 4-mm-Durchmesser gestrichelt gezeichnet und das Ausgangsprofil ist ebenfalls 6 x 6 mm. Foto 012 zeigt Unter- (A) und Oberteil (B) mit einem eingelegten Profil und Foto 013 den Beginn des Runddrehens. Auch hier sollte das Oberteil B an der Kante, welche in die Ecke des Profils drückt, eine kräftige Fase haben. In meiner Werkstatt sind alle Arbeitsplatten exakt waagerecht ausgerichtet. Deshalb konnte ich die in den Klemmstücken auf Länge plangedrehten L- und U-Profile zum Beweis der Winkligkeit auf den Tisch stellen (Foto 014) . Foto 015 zeigt den Anlagebund auch bei den Klemmstücken für L-Profile. Sie sind bei diesem Foto allerdings ein Stück aus der Spannzange herausgezogen.

In Abb. 011 rechts habe ich die Klemmstücke für ein L-Profil mit ungleich langen Schenkeln 3,6 x 0,7 mm gezeichnet. Hier ist eine 5-mm-Spannzange nötig. Wenn man keine Spannzangen zur Verfügung hat, kann man auf gleiche Weise auch mit einem gut rundlaufenden Backenfutter arbeiten. Bei etwas konstruktiver Vorarbeit (10:1-Zeichnung) kann man sich Klemmstücke für nahezu jede beliebige Profilform schaffen. Die Arbeitsweise ist immer gleich. Um den Querschnitt des Profils wird zuerst der Kreis der geplanten Spannzange gezogen und dann das Ausgangsquadrat für die Klemmstücke (Unter- und Oberteile). Foto 016 (Foto anklicken) verdeutlicht noch einmal, wie schön Modellteile aus Profilen aussehen, wenn diese exakt auf Länge gedreht und zudem, wie in diesem Fall, in mehreren Lötvorrichtungen zusammengelötet wurden.

Will man U- und L-Profile für das Zusammensetzen, z.B. für Rahmen, schräg auf Länge bringen (auf Gehrung schneiden), so kann man sich ebensolche Klemmstücke auch für das Spannen im Maschinenschraubstock der Fräsmaschine anfertigen. Dabei beträgt der anzuarbeitende Gehrungswinkel stets die Hälfte (die Winkelhalbierende) der Abwinkelung. Bei einer 90°-Ecke würde man an beide Profile 45°-Gehrungen anfräsen (Foto 017) und bei einer 45°-Abwinkelung 22,5°-Gehrungen (Foto 018) bei 30° dann 15°-Gehrungen usw.. Bei Foto 018 sieht man, daß ich für die Einrichtung der richtigen Schräglage der Klemmvorrichtung eine einfache Kartonschablone benutzt habe. Im Foto 019 zeige ich die einfache Klemmvorrichtung, mit welcher ich die Rahmen zusammengelötet habe. An den 90°-Ecken beim Foto 020 wurde das Zuviel von Lötzinn bereits entfernt. Das ist beim Löten von höchster Wichtigkeit. Die Piloten sagen: Fliegen heißt landen. Ich sage: Löten heißt entfernen von überschüssigem Lötzinn!

Jürgen Eichardt

zurück/back  |  home