Querbohrungen – z.B. Relingstützen

Für die Detaillierung am Pfahlmast meines 1:50-Zerstörer-Modells USS CASSIN YOUNG vom WWII hatte ich neulich eine Anzahl Sprossen für eine Strickleiter zu drehen und an den Enden für die Durchführung der Seile quer zu durchbohren. Solche Querbohrungen durch runde Stäbe hat der Schiffsmodellbauer relativ oft zu machen, ich erinnere z.B. an die Bohrungen für Durchzüge bei Relingstützen. Weil ich für eine sinnvolle und genaue Ausführung in diesen Fällen nur die Benutzung von Bohrvorrichtungen sehe, möchte ich zuerst den besonderen Fall der Leitersprossen erklären.

Die Teile nach Abb. 1 aus 2-mm-Drehmessing zu drehen, war kein Problem, das geht sehr gut nach (1) Seite 91 bis 96. Zuerst war die vordere Planfläche (a) sauber planzudrehen, weil diese Stirn später in der Bohrvorrichtung als Anschlagfläche dient. Dann habe ich die Teile mit einem Spitzdrehstahl (1) Seite 96/97, ohne die Durchmesser messen zu müssen, also nach „justierter Supportskala“ in einem Span gedreht und gleichzeitig abgestochen (Abb. 2 ). Am Abstech-Ende bleibt dabei natürlich ein kleiner Abstechpieps (Abb. 3 )(kleine Fotos anklicken), dieser kann vorerst bleiben. Jetzt wird schon die Bohrplatte aus Stahl (bei unseren geringen Stückzahlen genügt Automatenstahl) angefertigt. Ein Stück 8 x 8 x 22 mm wurde zuerst an der Oberseite (a in Abb. 4 ) leicht überstirnt. Dann wird die Stirn (b) etwa 6 mm tief leicht überfräst. Das macht man mit einem Fingerfräser, dessen Durchmesser am Schneidenteil genau bekannt ist. In meinem Fall war es ein 10-mm-Fingerfräser. Die wichtige Anfahrrichtung für diese Spanabnahme (b) und den Skalenwert vom X-Support (üblicherweise „0“) merkt man sich. Nun habe ich in der Mitte dieses Stahlstücks bei geklemmtem (!) Y-Support mit einem 0,4-mm-Radius-Fräser (Pfeiffer-Werkzeuge) längs eine 0,5 mm tiefe Nut gefräst (a in Abb. 5 ) - in nur 0,1-mm-Tiefenzustellungen pro Spandurchgang. Hat man die beiden Ø 0,8 bei den gedrehten Sprossen genau eingehalten, so lassen sich diese nun leicht in die Nut legen.

Jetzt sind die beiden „Bohrbuchsen“ einzubohren. Bei einer richtigen Bohrvorrichtung für das Bohren von Zehntausenden Löchern wären hier gehärtete Bohrbuchsen einzusetzen, das muß hier nicht sein. Wir begnügen uns mit Bohrer-Führungen. Die erste zentriere ich mit dem eben benutzten Radius-Fräser. Dazu fahre ich den X-Support um genau den halben Fräser-Durchmesser, also 5 mm, plus 0,4 mm in der Anfahrrichtung weiter. Die Fräsermitte steht nun bei (b in Abb. 5) und ich kann hier den Radius-Fräser etwa 0,2 bis 0,3 mm als „Zentrierung“ einstechen. Dabei entsteht diese komische ovale Form. Das Gleiche mache ich exakt 6 mm weiter links bei (c), denn 6 mm soll der Abstand der Seile der Leiter sein.

Jetzt wechsle ich auf einen 0,4-mm-Wendelbohrer, um die eigentlichen Bohrer-Führungen zu bohren. Dabei ist sehr wichtig, daß ich die Punkte (b) und (c) erneut in der gleichen Anfahrrichtung (die zugehörigen Skalenwerte hatte ich mir notiert!) anfahre. In Abb. 5 sind diese 0,4-mm-Bohrungen schwarz zu sehen. Durch die beschriebene Arbeitsweise sitzen sie nun zwangsläufig genau in der Mitte der Nut.

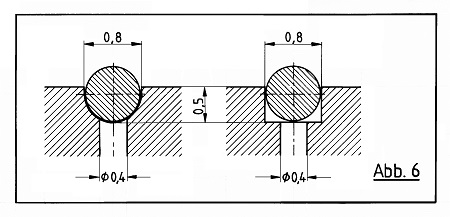
Man muß die 0,8-mm-Nut nicht unbedingt mit einem gerundeten Grund fräsen. Es genügt auch ein normaler 0,8-mm-Fingerfräser, Abb. 6 zeigt den Unterschied. Eine gerundete Nut hat jedoch eine „zentrierende“ Wirkung, der Stab wird folglich immer in der Mitte liegen. Bei einer Nut mit rechteckigem Querschnitt muß deren Breite haargenau stimmen. Schon, wenn die Sprosse nur einen geringsten Betrag seitlich wegrollen kann, kommt die Querbohrung nicht genau in die Mitte. In Abb. 7 habe ich dies, schon in die Bohrlage gedreht, dargestellt. Thema Bohrer: Wenn sich ein dünner Wendelbohrer eher verbiegt, anstatt zu bohren, so ist er nicht richtig angeschliffen. Mit einer starken Lupe oder unter dem Mikroskop sieht man, daß die meisten Billigbohrer wegen völlig verkorkstem Anschliff gar nicht bohren können. Kaufen Sie keine Bohrer in einer Plasteschachtel zu 10 Stück. Kaufen Sie stattdessen bei einem guten Werkzeughändler (Pfeiffer-Werkzeuge) Einzelbohrer. Nach meiner Erfahrung sind Wendelbohrer mit möglichst kurzem Schneidenteil und verstärktem Schaft (Abb. 8, meist Ø 1,2 oder 1,5 ) gut geschliffen. Mit diesen Bohrern kann man in eine ebene Fläche (z.B. auch in eine sauber plangedrehte Fläche eines Drehteils) sogar ohne Zentrierbohrung und sehr langsam (!) einbohren. Bei der Nut nach Abb. 6 rechts könnte man mit einem selbstgemachten Mini-Zentrierbohrer (Abb. 9 (1) Seite 102/103) in den flachen Nutgrund zentrieren.

Nach dem Zentrieren (Radius-Fräser oder Mini-Zentrierbohrer) bohre ich mit einem 0,4-mm-Bohrer jede Bohrung gut 3 mm tiefer (Anfahrrichtungen!), dabei den Bohrer sehr oft (!) aus der Bohrung ziehen und die Späne entfernen (Pinsel, Fahrradöl). Ein dünner Bohrer bricht eigentlich nur, wenn Sie das nicht so tun. Danach habe ich diese Bohrplatte von der anderen Seite her auf eine Stärke von nur noch 2,5 mm abgefräst. Dabei erscheinen die beiden Bohrungen, in Abb. 10 habe ich zur Probe eine der Sprossen aufgelegt.

Damit die Sprossen mit der plangedrehten Stirn (a in Abb. 1) in der Nut auch einen Längs-Anschlag (Axial-Anschlag) haben, habe ich nach Abb. 11 und 12 aus Messing einen U-L-förmigen Anschlag gefräst. Im Schraubstock habe ich dieses Teil gegen die Bohrplatte gedrückt und bei (a und b in Abb. 13 ) dünnflüssigen Sekundenkleber aufgegeben. Bei einer größeren Bohrvorrichtung würde man die eigentliche Anschlagplatte (a in Abb. 11) besser mit zwei kleinen Schrauben gegen die Vorrichtungsstirn schrauben. Bei Abb. 14 habe ich eine Sprosse in die Nut gelegt und dabei nach rechts gegen den Anschlag geschoben. Die beiden dicken 0,8-mm-Enden ragen dabei 0,3 mm über die Fläche. Das erkennt man bei dem Foto nicht gut, muß aber sein, damit die nun aufgelegte und mit zwei M1,2-Schrauben befestigte (zufällig) runde Messingplatte die Sprosse in der Nut festhält (Abb. 15 ).

Die beiden M1,2-Schrauben sind leicht geöffnet, ich lege die Sprosse mit der plangedrehten Seite voraus in die Nut (Abb. 16 ), schiebe sie mit einem 0,6-mm-Draht hinein bis zum Anschlag und ziehe dann die beiden Schrauben so fest, daß die Messingplatte möglichst waagerecht liegt. Abb. 17 zeigt die Messingplatte in Nahaufnahme. (a) sind die beiden Bohrungen, die beim Bohren der ersten Sprosse entstehen, (b) sind die beiden M1,2-Bohrungen und (c) ist eine zufällig vorhandene Senkung in der Mitte. Man sieht einen feinen Anriß, damit ich beim Auflegen der Bohrplatte die Seiten nicht vertausche.

Abb. 18 zeigt die erste gebohrte Sprosse (die Pinzette müßte mal wieder entmagnetisiert werden). Beide Bohrungen müßten ein Zehntel-mm weiter rechts sein und die Mitte ist auch nicht ganz genau getroffen. Sicher ist etwas vom Sekundenkleber in die Innenecken der Nut gelaufen, wenn man aber die geringen Dimensionen bedenkt… Jetzt kann auch der Abstechpieps weggefeilt werden. Abb. 19 zeigt einige der Sprossen auf die 0,3-mm-Drahtseilstücke aufgelötet, natürlich für gleiche 6,3-mm-Abstände in einer Novotex-Lötvorrichtung. Das soll man nicht ohne Lötvorrichtung tun. Bei diesen Dimensionen sieht man jedes Zehntel als schlimmen Fehler!

Die gleiche Arbeitsweise würde ich zur Herstellung einer Bohrvorrichtung für gerade Relingstützen anwenden. Immer muß der Durchmesser des Finger-(Radius-)Fräsers dem Durchmesser der Relingstütze entsprechen. Fingerfräser gibt es im guten Werkzeughandel schließlich in 0,05-mm-Ø-Stufungen! (Ja, 0,05-mm-Stufungen. Der dünnste Fräser hat einen Durchmesser von 0,05 mm!!!! Dann 0,1; 0,15; 0,2 usw.) Und immer bleibt der Y-Support nach dem Fräsen der Nut bis zum Zentrieren/Bohren der Bohrer-Führungen fest geklemmt. Für die Herstellung der Abstände der Bohrungen muß man Fräsen/Bohren nach Koordinaten beherrschen, (2) Seite 73 bis 78.

Historische Schiffe haben oft gußeiserne Relingstützen mit kugeligen Verdickungen an den Stellen, wo die Durchzüge (Drahtseil oder auch Ketten) durchfahren (Abb. 20 mit Maßen für den M 1:25). Für die Kugelverdickungen fertigt man sich Formstechstähle (Abb. 21 ), wie in (1) Seite 53 bis 55 beschrieben und die langen Zwischenstücke dreht man wieder nach (1) Seite 91 bis 96. Bei (a) stellt der Formstahl die Kugelform oben bis zur Mitte her und beim Formstahl (b) wird nur ein Teil der Kugel geformt. (c) zeigt, wie ein Formstahl für die Rundung am Fuß aussehen könnte und bei (d) habe ich den von mir so genannten Seiten-Abstechdrehstahl, (1) Seite 84 bis 90, angedeutet, mit dem man sowohl den 1,5-mm-Zapfen andrehen und auch das Teil endgültig abstechen kann. Bei allen Drehstählen habe ich die nötigen Freiwinkel/Freiflächen durch gestrichelte Linien angedeutet. Die sehr einfache Bohrvorrichtung, mit der man exakt in der Mitte der Kugeln durchbohren kann, besteht aus zwei an den Enden zusammengeschraubten Flachstahlstäben nach Abb. 22 . Die Vergrößerung bei A zeigt, wie die Kugel sich beim Einklemmen von selbst zwischen den beiden Bohrungen zentriert. Beim Bohren drücke ich die Flachstäbe zusätzlich bei (a) zusammen. Abb. 23 zeigt einen Formstechstahl und einige damit angestochene Teile für Handgriffe, einige bereits mit gebohrten Sacklöchern. Hier war die „Bohrvorrichtung“ ein einfacher Flachstahl-Stab mit der entsprechenden Bohrung. Den habe ich von Hand kräftig auf die Kugel gedrückt (Abb. 24 ). Bei dieser Abbildung und schon bei Abb. 7 sieht man, daß die Bohrer-Führungen oben eine nicht zu kleine 90°-Senkung haben. Diese erleichtern das Einführen der Bohrer. Gehärtete Bohrbuchsen haben hier sogar gerundete Übergänge. In den zurückliegenden Jahren haben sich bei mir viele selbst hergestellte Kugelstechstähle angesammelt (Abb. 25 ), die kleinsten für 0,8-mm-Kugeln!

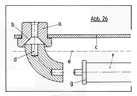
Eine ähnliche Anwendung einer sich selbst zentrierenden Bohrbuchse zeigt die Abb. 26 . Für die Darstellung von Rohrleitungen sollten die Rohr-Knie (a in Abb. 27 ), die ich in einer Vorrichtung gebogen und denen ich in einer weiteren Klemmvorrichtung den exakten 90°-Winkel angefräst hatte, kleine Zentrierungen erhalten. Diese Zentrierungen müssen selbstverständlich exakt mittig sein, damit die Anschluß-Rohrstücke (b) mit ihren angedrehten Zentrierzapfen und den charakteristischen Wülsten (c) für die Rohr-Knie gut fluchten, wie das im Foto rechts-unten schon zu sehen ist. Die in dem Fall gehärtete Bohrbuchse (a in Abb. 26) hat unten eine angedrehte 90°-Zentriersenkung (b), welche unbedingt mit der Bohrung zusammen in einer Einspannung gedreht werden muß. Nach dem Härten habe ich die Bohrbuchse in einen einfachen 0,4-mm-Blechstreifen (c) gepresst (Abb. 28 ). Das Rohr-Knie wird leicht ausragend im Schraubstock gespannt (e in Abb. 26), so kann die Bohrbuchse waagerecht aufgesetzt und die etwa nur 1,5 mm tiefe Zentrierbohrung (d) gebohrt werden.

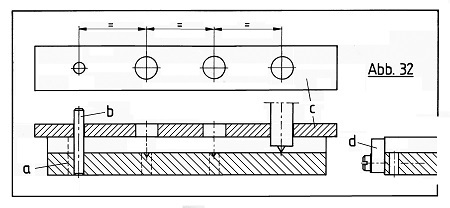
Eine weitere sehr gute Möglichkeit, die Bohrer-Führungen exakt mittig in die gefräste Nut nach Abb. 6 rechts zu bringen, sehe ich in der Benutzung von Zentrierkörnern. In Abb. 29 habe ich das dargestellt. Ich selbst habe seit vielen Jahren einen aus Silberstahl gedrehten und gehärteten Satz Zentrierkörner (Abb. 30 ) von Ø 0,6 bis 4,6 mm in 0,1-mm-Stufungen. Größere Durchmesser fertige ich mir bei Bedarf. In jede Modellbauerwerkstatt gehört ein Satz Zentrierkörner! Bei einer Bohrlehre z.B. für Relingstützen wird zuerst das oberste Loch (zentrier-)gekörnt (Abb. 31 ) und sogleich die erste Bohrer-Führung gebohrt. Dabei ist der obere Abstand (a) noch länger als nötig. Dann fertigt man sich aus einem Blechstreifen eine Abstands-Lehre (c in Abb. 32 ). Die geforderten z.B. drei Bohrungsabstände (=) kann man mit der Skala der Fräsmaschine „abfahren“. Die Bohrungsdurchmesser entsprechen der Nutbreite und dem Durchmesser des Zentrierkörners. In die erste Bohrer-Führung wird ein passender Stift (b) gesteckt und darauf die Abstands-Lehre. Nun kann man die weiteren drei Körnungen im exakten Abstand durch die Lehre hindurch in die Nut übertragen. Und zum Schluß wird die oberste Länge abgefräst und auch hier der Längenanschlag (d) angeschraubt/-geklebt.

Ein Problem stellen außermittige und/oder schräg stehende Querbohrungen dar. In beiden Fällen kommt man nicht um Bohrbuchsen herum. Weil der Wendelbohrer beim Anbohren z.B. bei einer Außermitte-Bohrung zuerst nur mit einer Hälfte (a in Abb. 33 ) schneidet, er rutscht quasi seitlich ab, drücken seine Führungsfasen, das sind ja auch Schneiden, kräftig gegen die gegenüberliegende Seite der Bohrer-Führung (b). Sie würden die anfangs runde Führung schnell oval ausfräsen. Deshalb muß man eine gehärtete Bohrbuchse einsetzen. In Abb. 34 hat diese oben einen Rand (a) und auch eine profimäßige Rundung. Ähnlich verhält es sich, wenn man schräg einbohren will (Abb. 35 ). Viele moderne Gittermasten haben z.B. schräg in die Mastbeine gehende Querstreben.

In der wahrhaft „historischen“ Abb. 36 ist eine Bohr-Vorrichtung aus Alu (!) für die Querbohrungen in (Alu-)Poller zu sehen. Und auch die Quer-Einbohrungen in die winzigen Ventile von Abb. 37 (beachte die Streichholzkuppe) habe ich mit einer Bohrbuchse nach Abb. 28 gemacht. Das Teil im Foto links muß nur noch abgestochen werden.

Jürgen Eichardt

Literatur:

-       (1) Jürgen Eichardt, „Drehen für Modellbauer“ Band 2, VTH-Verlag, 2001, ISBN 3-88180-713-6, 187 Seiten, € 19,-

-       (2) Jürgen Eichardt, „Fräsen für Modellbauer“ Band 2, VTH-Verlag, 2002, ISBN 3-88180-718-7, 171 Seiten, € 19,-

-       (3) Jürgen Eichardt, „Drehen für Modellbauer“ Band 1, VTH-Verlag, 2002, ISBN 3-88180-713-6, 187 Seiten, € 19,-

Bildtexte:

Abb. 02: Die Position zum Abstechen ist erreicht.

Abb. 03: Bei derartigen Teilen arbeite ich nach dem sog. Doppel-End-Drehverfahren, (1) Seite 90/91.

Abb. 04: Der Fräser-Durchmesser muß genau bekannt sein und er muß gut rundlaufen, letzter Span dünn im Gleichlauffräsen.

Abb. 05: Sehr langsamer Handvorschub beim Fräsen der Nut.

Abb. 08: Für diese kleinen Bohrer immer gut rundlaufende Bohrfutter.

Abb. 09: Nur die angeschliffene pyramidenförmige Spitze muß gehärtet sein.

Abb. 10: Eine extreme Nahaufnahme, im Bild ein 0,4-mm-Wendelbohrer.

Abb. 11: Die Kante der Bohrplatte soll eine größere Fase haben.

Abb. 12: Die 45°-Fasen habe ich mit einem 90°-Senker gefräst.

Abb. 13: Exakt 6 mm Mittenabstand der beiden Bohrlöcher.

Abb. 14: Zwei 1,3-mm-Bohrungen für M1,2-Schrauben.

Abb. 15: Die Ms-Platte muß nicht rund sein.

Abb. 16: Der Abstechpieps ist noch vorhanden.

Abb. 17: Bei größeren Bohrplatten können die Gewinde größer sein.

Abb. 18: Der Obersupport muß für solche Teile auf exaktes Zylinder-Drehen eingerichtet sein, (3) Seite 47/48.

Abb. 19: Die Sprossen-Abstände sind mit Hilfe einer Pertinax-Vorrichtung gelötet/-klebt.

Abb. 23: Stets 0°-Spanwinkel bei Messing und die Schneiden-Höhe muß auf 1/100 mm stimmen!

Abb. 25: Der zweite von links ist ein gedrehter Formdrehstahl mit seinem Halter, (1) Seite 59/60.

Abb. 27: Die Einzelstücke dieser Rohrleitungen habe ich je nach Situation geklebt oder auch gelötet.

Abb. 28: Der Ms-Blech-Streifen trägt zwei verschiedene Bohrbuchsen.

Abb. 30: Der Nenndurchmesser und die winzige Zentrierspitze müssen jeweils entweder in einer Einspannung oder in einer Spannzange angedreht werden.

Abb. 36: Die M4-Schraube klemmt den Pollerkopf in der Vorrichtung.

Abb. 37: Für das Drehen des Ventil-Grundkörpers gibt es einen Formstechstahl.


zurück/back  |  home